Skoči na vsebino

Priporočeno sporočilo

Napisano

Pozdravljeni!

 

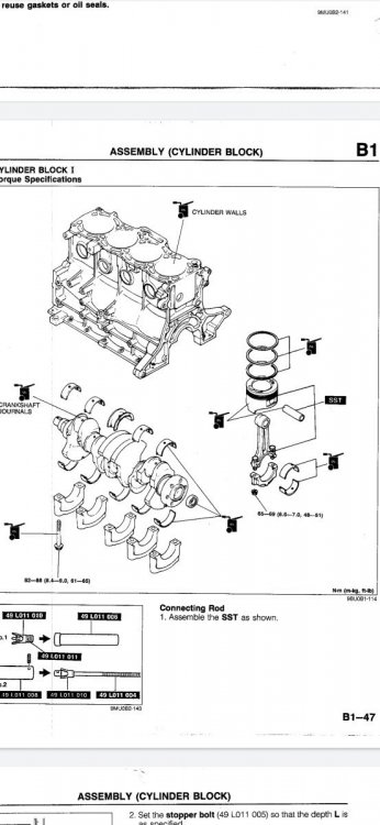
Na Mazdi B2200 disel, 48kw letnik 1996 moram zategniti ojnične ležaje. Bi mi lahko kdo svetoval s kakšno jakostjo jih je potrebno zategniti.

 

Kakršna koli informacija bi mi prišla prav.

 

Hvala za odgovor,

 

Frenk

Pridružite se pogovoru

Objavljaš lahko sedaj in se registriraš pozneje. Če imaš račun, se lahko prijaviš, če želiš objavljati s svojim računom.

Gost
Odgovori na to sporočilo...

×   Prilepljeno kot obogateno besedilo.   Prilepi raje kot enostavno besedilo

  Only 75 emoji are allowed.

×   Vaša povezava je bila samodejno vdelana.   Namesto tega raje prikaži samo kot povezavo

×   Tvoje predhodno sporočilo je bilo obnovljeno.   Izbriši besedilo iz urejevalnika

×   You cannot paste images directly. Upload or insert images from URL.

Nalagam...
  • Zadnja sporočila

    • Mogoče ja ampak to se bo kmalu pokazalo, če bi bilo zaradi tega ali pa padca kvalitete pri Mazdi.... 🤔😉
    • preveri tu, dokaj omejen seznam     drugač pa probej za foro vseen se prijavit, mogoče sprejmejo @sportman333
    • A za Michelin velja nakup kjerkoli ali pri njihovih uradnih prodajalcih? Oz. Vidim da si odgovoril v naslednjem poste-u👍....
    • Mogoče se pa pozna, da ima tvoja malo kilometrov? 🤗
    • Spet nekaj za domače in profesionalne "štromarje".   K je v prejšnjem prispevku naneslo na orodja za snemanje izolacije z kablov in žic...in k malo brskam...in k veliko kupujem pri Shoppsteru...in najdem tole...   https://www.shoppster.si/p/0713106   OK,z kodo za popust za 26,95€   In tole    https://www.shoppster.si/p/0712700   Da ne bo kdo rekel,da imam kaj proti Unioru...res pa je,da se jim ne izplača izdelovati čisto vsega. Prve klešče v linku izdeluje Veicon,drugi snemalec izolacijskih plaščev kablov pa Jokari. Prvega sem že hvalil-res top👍...tukaj tudi zelo zanimiv video primerjave z konkurenti.   Jaz sem mojo kupil tukaj...21,52€ https://www.amazon.de/WEICON-automatische-Abisolierzange-Abisolierer-selbsteinstellend/dp/B001NUMVHQ?pd_rd_w=7iLsL&content-id=amzn1.sym.e43449ad-4bb7-4aee-a0fd-e15d81a9f8db%3Aamzn1.symc.30e3dbb4-8dd8-4bad-b7a1-a45bcdbc49b8&pf_rd_p=e43449ad-4bb7-4aee-a0fd-e15d81a9f8db&pf_rd_r=0FEH148X8D6FGBJJWH93&pd_rd_wg=EP0Rk&pd_rd_r=2698cb3e-1e80-4e04-960a-f05e401bd39c&pd_rd_i=B001NUMVHQ&th=1   Za tiste,ki bi pa radi privarčevali še kak €,jim snemljivi omejilnik ni tako važen,in ne potrebujejo zaporo za zaprti položaj klešč,pa lahko priporočam malce "oguljeno" a drugače identično verzijo No.5 Classic. za 16,4€😃👍   https://www.amazon.de/WEICON-TOOLS-Classic-Abisolierzange-Seitenschneider/dp/B087DLW2W7?pd_rd_w=7iLsL&content-id=amzn1.sym.e43449ad-4bb7-4aee-a0fd-e15d81a9f8db%3Aamzn1.symc.30e3dbb4-8dd8-4bad-b7a1-a45bcdbc49b8&pf_rd_p=e43449ad-4bb7-4aee-a0fd-e15d81a9f8db&pf_rd_r=0FEH148X8D6FGBJJWH93&pd_rd_wg=EP0Rk&pd_rd_r=2698cb3e-1e80-4e04-960a-f05e401bd39c&pd_rd_i=B087DLW2W7&th=1   Orodje za snemanje plaščev z kablov Jokari No. 28H pa tudi moram zeloooo pohvaliti-res neverjetno orodje za cvenk👍 Marsikdo od profesionalnih električarjev pa ne ve,da ima to orodje v ročaju rezervni nož (z oplato iz titanovega nitrida)...enkrat,ko uporabiš,ne moreš več brez😅...zelo me je presenetil vgrajen nož in rezalni kavelj-po dolgih letih redne uporabe sta še zmeraj neskrhana in ostra-res neverjetno😲 Mojega sem pred cca. dobrimi 20 leti kupil v Bauhausu...danes to dobiš-glej link zgoraj-Unior verzija...ali pa original Jokari za 9,59€😲😍👍 tukaj JOKARI Kabelmesser Standard Nr. 28H zum Abisolieren von runden Leitungen (z.B.NYM/NYY) 8 bis 28mm Ø, mit Hakenklinge, Art.Nr.10282. : Jokari: Amazon.de: Baumarkt WWW.AMAZON.DE Elektro- und Handwerkzeuge online - JOKARI Kabelmesser Standard Nr. 28H zum Abisolieren von runden Leitungen (z.B.NYM/NYY) 8 bis...     Pa dajmo še eno priročno in neverjetno praktično orodje...paše tudi k elektriki-tako za cevi kablov kot ostale plastične cevi...npr. za odtoke itd...do fi-50 Tudi moram zeloooo pohvaliti...na prvi pogled ne izgleda in "drago",a je res "bomba"😄👍...neverjetno robusten in priročen...mogoče mu manjka le kaka večja zaponka,da ga zatakneš za žep ali pas,ker ni ravno "tanek"...je za v žep le,če imaš večje žepe na telovniku ipd...ni "poceni"...sem se težko odločil za nakup,a me je pozitivno presenetil-absolutno vreden cvenka! Tudi vsebuje rezervna rezila-2x👍...ima pa praktično zaporo,da se ne odpre,in da se pomotoma ne porežeš,ko brskaš po žepu...   Rezalnik za plastičnih cevi in tesnilnih rokavov BiX KNIPEX - Žabjek d.o.o. WWW.ORODJE-ZABJEK.SI - praktično orodje za vodovodarje in električarje: Hitro in učinkovito razreže plastične cevi in tesnilne rokave - pameten rezalnik cevi: reže...     Dost "klobase"...evo slike😉
  • Kdo je trenutno prisoten (Poglej celoten seznam)

×
×
  • Ustvari novo...

Pomembna informacija

Spletna stran uporablja piškotke z namenom zagotavljanja funkcionalnosti in boljše uporabniške izkušnje spletnega mesta. Z uporabo spletnega mesta soglašate z uporabo piškotkov.